首页
产品中心
行业方案
客户案例
数字学院
关于我们
获取资料
扫一扫添加企业微信
获取产品详细资料
系统演示
取消
平台软件
边缘集成
传感器
搜索
基础软件
IOT
IOT 工业物联网云组态平台
数据驱动控制,平台赋能创新
IT
AIOps IT资产全域智能化运维平台
运维智能引擎,驱动数字未来
DSI
DSI工业大数据集成应用平台
精准预判未来,智能决策现在
应用软件
EAM
EAM企业资产管理系统
全生命周期数字化,实现设备资产降本增效
CNC
CNC工业设备管理系统
数据赋能CNC,制造从此透明
PHM
PHM设备故障预测与健康管理系统
故障先知,健康智诊
MES
MES生产制造执行系统
贯通计划与执行,精准掌控每一环
EMS
EMS企业能源管理系统
从数据洞察到节能决策,一站式智能能控
AI
AI工业智能体解决方案
从思维到行动,智能主动达成
搜索
边缘网关
通用物联网关
智能互联,赋能数字化转型
4G通用物联网关
智能互联,赋能数字化转型
CNC数采网关
智能互联,赋能数字化转型
PLC数采网关
智能互联,赋能数字化转型
注塑机数采网关
智能互联,赋能数字化转型
屏幕抓取数采网关
智能互联,赋能数字化转型
I/O数采网关
智能互联,赋能数字化转型
云仪表
小地磅仪表KR1043
智能互联,精准可靠的新一代称重系统
小地磅仪表KR2043
智能互联,精准可靠的新一代称重系统
工控地磅仪表KR3070
智能互联,精准可靠的新一代称重系统
料罐控制仪表
智能互联,精准可靠的新一代称重系统
料罐控制箱
智能互联,精准可靠的新一代称重系统
贴片料塔监控仪表
智能互联,赋能数字化转型
料塔称重云仪表
可实现料塔存量远程精准监控及安全预警
监测站
小型漂浮监测站
水域智慧哨兵,无声守护,数据先行
一杆式多功能监测站
立杆见效,数据尽在掌握
户外小型监测站
自然中的会呼吸节点,互联万物,洞恶细微
大型漂浮监测站
一座浮岛,一个综合节点,一览水域全局
分析仪
在线分析仪
让您实时洞察成分变化,精准控制工艺质量
便携式分析仪
将实验室级的精准,融入现场每一步决策
搜索
多物理量传感器
WNFS/WNDS传感器
温湿度传感器
温振传感器
水质传感器
多参数传感器
深度传感器
透明度/色度传感器
污泥浓度/CDOM传感器
水中油传感器
叶绿素/蓝绿藻传感器
电导率(盐度)传感器
pH/ORP传感器
浊度传感器
氨氮传感器
COD传感器
溶解氧传感器
惯性传感器
加速度传感器
震动传感器
BY-S09型振动传感器
机器人传感器
微型力传感器
关节力矩传感器
多维力传感器
电量传感器
电压传感器
磁通门电流传感器
磁调制漏电流传感器
磁平衡式电流传感器
直测式电流传感器
流量传感器
电磁流量计
旋进旋涡流量计
热式气体质量流量计
涡轮流量计
面板式流量计
玻璃浮子流量计
涡街流量计
椭圆齿轮流量计
金属管浮子流量计
力传感器
光电传感器
压力变送器
扩散硅压力传感器
2088表头压力传感器
张力检测
车载称重
扭矩式
弯环式
拉式
圆板轮辐式
单点式(铝)
单点式(钢)
S型
柱式
单悬臂梁
双悬臂梁式
温度传感器
高精度温度传感器
通用温度传感器
在线校准装置及传感器
高温及强腐蚀环境专用温度传感器
无线温度传感器
光学传感器
光谱共焦位移传感器
测量光幕
专用光栅传感器
安全光栅传感器
气体传感器
2088表头硫化氢传感器
王字壳硫化氢传感器
硫化氢传感器探头
2088表头氨气传感器
王字壳氨气传感器
氨气传感器探头
气体传感模组
光学气体传感器
电化学气体传感器
半导体气体传感器
倾角传感器
QYM系列倾角传感器
光纤传感器
光纤测温传感器
数字治水
数字畜牧
智能料塔
流程制造
离散制造
生物医疗
食品行业
智慧矿山
工业安全
数智仓配
绿色用能
工业智能体
团队架构
我们有专业的项目团队,完善的实施流程
交付内容
满足个性化定制需求,提供一站式服务支持
PMO项目管理
PMO领导,监控项目过程、结果,管控项目工期、成本、质量
首页
产品中心
平台软件
边缘集成
传感器
行业方案
数字治水
数字畜牧
智能料塔
流程制造
离散制造
生物医疗
食品行业
智慧矿山
工业安全
数智仓配
客户案例
服务
团队架构
交付内容
PMO项目管理
数字学院
关于我们
首页
>
产品中心
>
传感器
>
力传感器
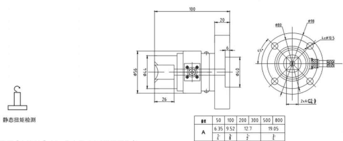
扭矩式
产品类型: 应变式传感器
产品型号: NJ-K
联系我们
产品说明
技术参数
应用场景
其他产品
产品说明
技术参数
应用场景
产品分类
多物理量传感器
机器人传感器
力传感器
光学传感器
水质传感器
电量传感器
气体传感器
流量传感器
温度传感器
惯性传感器
倾角传感器
光纤传感器
震动传感器
您可能还对以下设备感兴趣
高精度温度传感器
通用温度传感器
光纤测温传感器
QYM系列倾角传感器
BY-S09型振动传感器
1v1按需求定制个性化方案,全程360°服务
400-9980-863
185-8878-5629
立即咨询